Thiết bị quản lý chất lượng nước Shinko WIL-102-PH
Bảo hành 12 tháng
Luôn có kỹ sư hỗ trợ 24/24
1. Thiết bị quản lý chất lượng nước Shinko WIL-102-PH là gì?
Thiết bị quản lý chất lượng nước Shinko WIL-102-PH là dòng plug-in type digital indicating pH meter dạng cắm đế, gắn DIN rail, được thiết kế để đo, hiển thị và giám sát giá trị pH trong các hệ thống xử lý nước và quản lý chất lượng nước. Thiết bị hỗ trợ đo đồng thời pH và nhiệt độ, cho phép bù nhiệt trong quá trình đo để nâng cao độ ổn định và độ chính xác khi vận hành. WIL-102-PH phù hợp cho các ứng dụng như nước cấp, nước thải, hệ thống xử lý nước, bể công nghệ và các hệ thống giám sát chất lượng nước trong công nghiệp.
2. Đặc điểm nổi bật của WIL-102-PH
- Kích thước tiêu chuẩn 30 × 88 × 108 mm, dạng cắm đế gắn DIN rail
- Đo đồng thời pH và nhiệt độ
- Dải đo pH: 0.00 đến 14.00 pH
- Dải đo nhiệt độ: 0.0 đến 100.0°C
- Hỗ trợ hiệu chuẩn 2 điểm
- Có nhiều tùy chọn ngõ ra: 2 tiếp điểm, hoặc 1 ngõ ra truyền + 1 tiếp điểm, hoặc 2 ngõ ra truyền
- Có chức năng cleansing output
- Hỗ trợ truyền thông và cài đặt qua RS-485
- Có tùy chọn nguồn 24V AC/DC
- Phù hợp cho nhiều ứng dụng giám sát và quản lý chất lượng nước trong công nghiệp.
WIL-102-PH đáp ứng tốt các nhu cầu đo và giám sát pH trong hệ thống nước cần thiết bị nhỏ gọn, gắn ray DIN, có cảnh báo, có ngõ ra truyền tín hiệu và có thể kết nối truyền thông khi cần.
3. Model

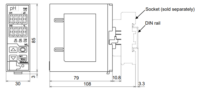
4. Thiết kế thiết bị WIL-102-PH
WIL-102-PH được thiết kế theo dạng plug-in type, sử dụng socket để cắm/rút thiết bị và lắp trên DIN rail trong tủ điện.

5. Đo pH và nhiệt độ đồng thời
Một trong những điểm nổi bật của WIL-102-PH là khả năng đo đồng thời giá trị pH và nhiệt độ dung dịch. Thiết bị sử dụng tín hiệu từ điện cực pH kết hợp cùng cảm biến nhiệt độ để thực hiện bù nhiệt, giúp kết quả đo pH ổn định hơn trong thực tế vận hành. Đây là điểm rất quan trọng trong các hệ thống xử lý nước, vì nhiệt độ thay đổi sẽ ảnh hưởng trực tiếp đến giá trị pH đo được.
6. Kích thước gọn, dễ tích hợp tủ điện
Với kích thước 30 × 88 × 108 mm, WIL-102-PH phù hợp với các tủ điều khiển yêu cầu bố trí gọn trên ray DIN. Dạng cắm đế giúp tối ưu không gian lắp đặt, đồng thời hỗ trợ thay thế thiết bị nhanh hơn khi cần bảo trì hoặc kiểm tra.

7. Dải đo pH phù hợp cho quản lý chất lượng nước
WIL-102-PH có dải đo 0.00 đến 14.00 pH với độ phân giải 0.01 pH, đáp ứng tốt các ứng dụng kiểm soát và giám sát pH trong nước cấp, nước thải, nước công nghiệp và nhiều quy trình xử lý hóa lý khác. Đây là dải đo tiêu chuẩn, phù hợp với phần lớn môi trường nước thực tế trong công nghiệp.
8. Đo nhiệt độ dung dịch
Thiết bị hỗ trợ dải đo nhiệt độ 0.0 đến 100.0°C với độ phân giải 0.1°C. Nhiệt độ không chỉ phục vụ hiển thị mà còn là dữ liệu cần thiết để bù nhiệt cho phép đo pH, từ đó giúp tăng độ tin cậy của kết quả giám sát chất lượng nước.
9. Hỗ trợ nhiều loại cảm biến nhiệt độ
WIL-102-PH hỗ trợ các loại cảm biến nhiệt độ như Pt1000, Pt100 và Cu500/25 tùy cấu hình. Điều này giúp thiết bị linh hoạt hơn khi triển khai trong các hệ thống đã có sẵn phần tử đo nhiệt độ hoặc khi cần đồng bộ với thiết bị hiện trường đang sử dụng.
10. Hiệu chuẩn 2 điểm
WIL-102-PH hỗ trợ 2-point calibration, cho phép người dùng hiệu chuẩn bằng dung dịch chuẩn pH để cải thiện độ chính xác của phép đo. Thiết bị hỗ trợ các dung dịch chuẩn như pH 2, 4, 7, 9, 10 theo cấu hình cài đặt. Đây là chức năng rất quan trọng với thiết bị đo pH, vì điện cực pH cần được hiệu chuẩn định kỳ để duy trì độ ổn định và độ tin cậy trong quá trình sử dụng.
11. Có chức năng đánh giá điện cực
Trong quá trình hiệu chuẩn tự động, WIL-102-PH có khả năng tự đánh giá tình trạng điện cực. Tính năng này hỗ trợ người vận hành nhận biết điện cực còn sử dụng tốt hay đã suy giảm chất lượng, từ đó thuận tiện hơn cho việc bảo trì và thay thế.
12. Ngõ ra tiếp điểm cảnh báo/điều khiển
Thiết bị có tùy chọn 2 contact outputs ở phiên bản EVT, hoặc 1 contact output khi chọn cấu hình TA. Các ngõ ra này có thể dùng cho mục đích cảnh báo hoặc điều khiển theo ngưỡng cài đặt pH trong hệ thống. Đây là tính năng hữu ích khi cần liên động còi, đèn, relay trung gian hoặc các thiết bị chấp hành trong tủ điều khiển.
13. Hỗ trợ proportional control
WIL-102-PH không chỉ dừng ở vai trò hiển thị, mà còn có thể tham gia vào bài toán giám sát và điều khiển thông qua các ngõ ra tiếp điểm hoặc ngõ ra truyền tín hiệu theo cấu hình đặt hàng. Với thiết kế này, thiết bị phù hợp cho các hệ thống xử lý nước cơ bản hoặc trung bình cần tích hợp giám sát pH trong tủ điều khiển. Phần này là suy luận kỹ thuật dựa trên cấu hình output mà hãng công bố.
14. Ngõ ra truyền tín hiệu
Theo spec sheet, WIL-102-PH có tùy chọn transmission output dạng 4–20 mA DC, với các cấu hình 1 ngõ ra truyền + 1 tiếp điểm hoặc 2 ngõ ra truyền. Ngõ ra này cho phép truyền tín hiệu pH hoặc nhiệt độ về PLC, recorder hoặc hệ thống SCADA để giám sát và lưu dữ liệu vận hành từ xa.
15. Chức năng cleansing output
Thiết bị có cleansing output function, phù hợp cho các ứng dụng cần hỗ trợ cơ cấu làm sạch đầu dò hoặc chu trình vệ sinh liên quan đến điện cực/cảm biến trong hệ thống chất lượng nước. Tính năng này đặc biệt hữu ích ở các ứng dụng nước thải hoặc môi trường nước dễ bám bẩn đầu dò.
16. Truyền thông RS-485
WIL-102-PH hỗ trợ cài đặt và hiệu chuẩn qua software communication (RS-485). Trang tải manual của hãng cũng liệt kê riêng bản WIL-102-PH cập nhật và cho thấy dòng này có tài liệu truyền thông tương ứng. Nhờ đó, thiết bị có thể kết nối thuận tiện với PLC, HMI hoặc hệ thống SCADA trong nhà máy khi cần giám sát và cấu hình từ xa.
17. Phù hợp cho nhiều ứng dụng quản lý chất lượng nước
Theo định vị sản phẩm của hãng, WIL-102-PH thuộc nhóm Water Quality Management Products và phù hợp cho nhiều hệ thống như:
- Nước cấp
- Nước thải
- Hệ thống xử lý nước
- Thiết bị nuôi trồng hoặc hệ thống bể công nghệ
- Thiết bị trong tòa nhà và hệ thống kỹ thuật phụ trợ
Thiết bị thích hợp cho các ứng dụng cần giám sát pH trong tủ điều khiển, có cảnh báo, có ngõ ra tín hiệu và có thể mở rộng truyền thông.
18. Hỗ trợ vận hành và bảo trì thuận tiện
WIL-102-PH có manual và spec sheet chính hãng để phục vụ lắp đặt, cài đặt, vận hành và bảo trì. Thiết kế cắm đế giúp thao tác thay thế thuận tiện hơn trong thực tế. Ngoài ra, việc thiết bị hỗ trợ hiệu chuẩn, tự đánh giá điện cực và truyền thông RS-485 cũng giúp quá trình sử dụng trong công nghiệp thuận tiện hơn, đặc biệt với các hệ thống cần bảo trì định kỳ và giám sát liên tục.
19. Sơ đồ đấu dây của WIL-102-PH

Tóm lại
Shinko WIL-102-PH là thiết bị quản lý chất lượng nước dạng plug-in type digital indicating pH meter phù hợp cho các ứng dụng công nghiệp cần đo và giám sát pH trong tủ điện theo kiểu gắn ray DIN. Với thiết kế nhỏ gọn, khả năng đo đồng thời pH và nhiệt độ, hỗ trợ hiệu chuẩn 2 điểm, nhiều tùy chọn ngõ ra, chức năng cleansing output và hỗ trợ RS-485, WIL-102-PH là giải pháp phù hợp cho nhiều hệ thống xử lý và giám sát chất lượng nước từ cơ bản đến trung bình.

