Thiết bị quản lý chất lượng nước Shinko AER-102-PH

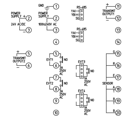
Thiết bị quản lý chất lượng nước Shinko AER-102-PH đo pH và nhiệt độ, lắp tủ 48×96 mm, IP66, hỗ trợ RS-485, phù hợp hệ thống xử lý nước.

Contact